Tổng Quan Về Van An Toàn Và Van Tràn
VAN AN TOÀN (SAFETY VALVE)
Định nghĩa
Van an toàn là một thiết bị thủy lực được sử dụng với mục đích để điều chỉnh áp suất trong mạch thủy lực. Chức năng chính của van an toàn là giới hạn áp suất lớn nhất trong mạch, bảo vệ mạch thủy lực tránh bị quá tải. Trong quá trình làm việc, van an toàn luôn ở trạng thái đóng. Khi áp suất đầu vào của van vượt giá trị định mức ( giá trị định mức được cài đặt sẵn) thì van an toàn mở ra cho phép chất lỏng chảy qua van về bể chứa.
Ký hiệu
Tuy về thiết kế và cấu tạo của van an toàn có nhiều loại nhưng tất cả chúng đều có kí hiệu chung như hình sau:

a: Loại van có một đường chất lỏng về bể
b: Loại van có hai đường chất lỏng về bể
Phân loại
Dựa vào cấu tạo, van được chia thành ba nhóm chính:
Kiểu van tác động trực tiếp.
-
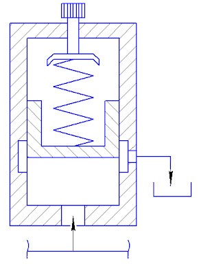
Cấu tạo

Cấu tạo của van bao gồm:

1: Vít điều chỉnh 4: Lò xo
2: Đầu vào van 5: Bi cầu, bi trụ hoặc con trượt
3: Đầu ra van
-
Nguyên lý hoạt động
Đối với van kiểu bi, khi áp suất p1 đi vào cửa vào của van vượt qua áp suất định mức được cài đặt bởi lò xo thông qua vít điều chỉnh nó sẽ thắng lực gây ra bởi lò xo, cửa ra của van được mở, dầu được đưa về bể.
Đối với van kiểu con trượt, khi áp suất p1 đi vào cửa vào của van vào cửa 1 và qua lỗ giảm chấn vào buồng 3. Khi áp suất do chất lỏng tạo ra vượt qua áp suất định mức được cài đặt bởi lò xo thông qua vít điều chỉnh nó sẽ thắng lực gây ra bởi lò xo, cửa ra 2 của van được mở, dầu được đưa về bể.
Kiểu van tác động gián tiếp.
-
Cấu tạo

Cấu tạo của van bao gồm:
1: Vít điều chỉnh 4: Cửa vào
2: Lò xo 1, 2 5: Cửa ra
3: Bi cầu, bi trụ ( con trượt)
-
Nguyên lý hoạt động
Ban đầu khi lực gây ra bởi áp suất đầu vào p1 nhỏ hơn lực lò xo của van phụ thì cửa vào van phụ và van chính cũng đóng, áp suất trong khoang van chính bằng áp suất vào van phụ.
Khi áp suất p1 tăng thì áp suất trong khoang van chính cũng tăng, lực gây ra bởi áp suất này lớn hơn lực lò xo của van phụ thì van phụ mở cho dầu về bể, áp suất trong khoang van chính bằng áp suất p2.
Nếu áp suất P1 tiếp tục tăng thì hiệu áp suất (p1 – p2) cũng tăng cho đến khi lực tác động của hiệu áp suất này thắng lực đàn hồi lò xo của van chính thì van chính mở cho dầu qua van chính về bể.
Xem thêm: Van an toàn Chia Wang, Van an toàn Yuken, Van an toàn Rexroth, Van an toàn Oleoweb VMDR ...
Ứng dụng
-
.Mạch có 2 van an toàn bảo vệ xy lanh thuỷ lực

-
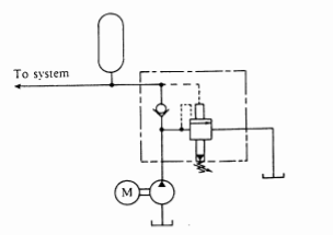
Mạch giảm tải cho bơm

VAN TRÀN (VALVE OVERFLOW)

Van tràn giống với van an toàn, cùng thuộc nhóm thiết bị điều chỉnh áp suất đầu vào của van. Tuy nhiên, khác với van an toàn luôn ở trạng thái đóng và chỉ mở khi lực gây ra bởi áp suất đầu vào van lớn hơn áp suất định mức gây ra bởi lò xo thì van tràn lại luôn ở trạng thái mở, chất lỏng liên tục chảy về bể chứa để đảm bảo giữ áp suất không đổi tại đầu vào của van.
Van tràn là thiết bị được sử dụng đối với mạch thủy lực điều khiển bằng van tiết lưu. Trong mạch thủy lực loại van này được lắp song song với máy bơm để đảm bảo áp suất của đầu ra máy bơm luôn không đổi. Do đặc điểm luôn mở nên van tràn không cần các các thiết bị triệt tiêu rung như van an toàn.